Каталог Каталог

г. Южно-Сахалинск, ул. Ленина 76А

Тел.: (4242) 312-045 (торговый зал)

меню
Корзина
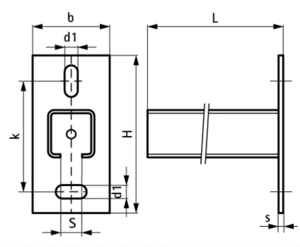
Консоль настенная WM/WMR BIS Rapid Rail Walraven

Консоль настенная WM/WMR BIS Rapid Rail Walraven

Описание
Характеристики

Преимущества настенной консоли Walraven из профиля BIS RapidRail WM/WMR

▪️позволяет делать монтаж с двух сторон профиля!

▫️быстрый и простой монтаж;

▪️перфорация по всей длине;

▫️сантиметровая шкала сбоку профиля;

▪️подходит для монтажа как к стенам, так и к перекрытиям;

▫️можно использовать для монтажа внутри и снаружи задний;

▪️для удобства монтажа крепёжные отверстия размещены под углом 90°;

▪️консоль прошла испытание солевым туманом;

▫️системный подход - можно приобрести все необходимые для монтажа аксессуары от одного производителя;

Раскрыть полное описание
Производитель  Walraven 
Коллекция  BIS RapidRail
Тип  настенная консоль 
Материал корпуса  оцинкованная сталь
Допустимое напряжение  240 Н/м2
Наименование
Размер, мм
WM/WMR
-
Цена
Наличие
Консоль 30 х 20 х 1,8 х 250 мм настенная WMR15 BIS Rapid Rail Walraven
Консоль 30 х 20 х 1,8 х 250 мм настенная WMR15 BIS Rapid Rail Walraven, Размер, мм - 30 х 20 х 1,8 х 250, WM/WMR - WMR15
30 х 20 х 1,8 х 250
WMR15
-
877p
в наличии
Консоль 30 х 15 х 2.0 х 200 мм настенная WM1 BIS Rapid Rail Walraven
Консоль 30 х 15 х 2.0 х 200 мм настенная WM1 BIS Rapid Rail Walraven, Размер, мм - 30 х 15 х 2.0 х 200, WM/WMR - WM1
30 х 15 х 2.0 х 200
WM1
-
p
предзаказ